MZ250
Multi Purpose Engine products information is accessible from here.
MZ250

Performance Curve

Specification Sheet
| Model Name | MZ250 |
|---|---|
| Bore × Stroke | 74 × 59 mm |
| Displacement | 253cm3 |
| Compression Ratio | 8.7 |
| Max Power (Net) | 5.4 kW (7.3 PS) / 3600 rpm |
| Rated Power (Net) | 4.5 kW (6.1 PS) / 3600 rpm |
| Max Torque (Net) | 15.7 N・m (1.6 kgf・m) / 2400 rpm |
| Fuel | GASOLINE |
| Fuel Tank Capacity | 5.8 L |
| Ignition System | T.C.I |
| Spark Plug | NGK BPR4ES |
| Lubrication System | Mechanical Splashing |
| Oil Capacity | 1.0 L |
| Dry Weight | 26 Kg |
| Dimentions (L×W×H) | 362 × 426 × 427 mm |
*Engine Output described above is representative net output measured at 3600rpm.
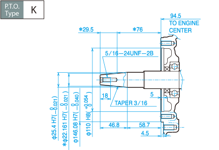
Dimensions
MZ250 P.T.O. B Type

P.T.O. Shaft Dimensions





Mounting Face Dimensions

